BP

Energy saving sewage pumps equipped with open channel impeller and IE3 premium efficiency motor.

Dane techniczne
  • ø Otwór wylotowy mm: 100 - 300
  • Rodzaj płynu: Ścieki
  • Maks. nośność bryły mm: 45 - 110
  • Maksymalna wartość pH: 6-14
  • Maksymalna wydajność l/min: 2150 - 35000
  • Maksymalna wysokość głowy: 10.10 - 40
  • Moc silnika kW: 3,0 - 132,0
  • Faza / Napięcie: 3-fazowy / 400 V / 50 Hz
Krzywa wydajności
1 O
2 O
4 O
Specyfikacje
Model Colour code curve ø Otwór wylotowy mm Rodzaj płynu Maks. nośność bryły mm Maksymalna wartość pH Maksymalna wydajność l/min Maksymalna wysokość głowy Moc silnika kW Faza / Napięcie Monitoring
free standing with guide rail fitting
100BP43.0 -F170 TOS100BP43.0 -F170 1 100 Ścieki 45 6-14 3170 10.10 3,0 3-fazowy / 400 V / 50 Hz double leakage sensor (mechanical seals chamber and stator housing) 1 signal
100BP44.0 -F200 TOS100BP44.0 -F200 2 100 Ścieki 45 6-14 2250 14,70 4,0 3-fazowy / 400 V / 50 Hz double leakage sensor (mechanical seals chamber and stator housing) 1 signal
100BP45.5 -F230 TOS100BP45.5 -F230 3 100 Ścieki 45 6-14 2150 19.7 5,5 3-fazowy / 400 V / 50 Hz double leakage sensor (mechanical seals chamber and stator housing) 1 signal
100BP47.5 -F230 TOS100BP47.5 -F230 4 100 Ścieki 45 6-14 4300 20 7,5 3-fazowy / 400 V / 50 Hz double leakage sensor (mechanical seals chamber and stator housing) 1 signal
100BP411 -F260 TOS100BP411 -F260 5 100 Ścieki 45 6-14 4590 25.7 11,0 3-fazowy / 400 V / 50 Hz double leakage sensor (mechanical seals chamber and stator housing) 1 signal
150BP411 -G246 TOS150BP411 -G246 6 150 Ścieki 80 6-14 3930 15,60 11,0 3-fazowy / 400 V / 50 Hz double leakage sensor (mechanical seals chamber and stator housing) 1 signal
150BP418.5 -A270 TOS150BP418.5 -A270 7 150 Ścieki 80 6-14 8400 24,90 18,5 3-fazowy / 400 V / 50 Hz double leakage sensor (mechanical seals chamber and stator housing) 1 signal
150BP422 -F290 TOS150BP422 -F290 8 150 Ścieki 80 6-14 11000 28 22,0 3-fazowy / 400 V / 50 Hz double leakage sensor (mechanical seals chamber and stator housing) 1 signal
150BP430 -F315 TOS150BP430 -F315 9 150 Ścieki 80 6-14 12300 34.5 30,0 3-fazowy / 400 V / 50 Hz double leakage sensor (mechanical seals chamber and stator housing) 1 signal
200BP637 -C430 TOS200BP637 -C430 10 200 Ścieki 100 6-14 17700 24.8 37,0 3-fazowy / 400 V / 50 Hz double leakage sensor (mechanical seals chamber and stator housing) 1 signal
200BP645 -C460 TOS200BP645 -C460 11 200 Ścieki 100 6-14 18800 30 45,0 3-fazowy / 400 V / 50 Hz double leakage sensor (mechanical seals chamber and stator housing) 1 signal
300BP637 -B405 TOS300BP637 -B405 12 300 Ścieki 110 6-14 23400 21.3 37,0 3-fazowy / 400 V / 50 Hz double leakage sensor (mechanical seals chamber and stator housing) 1 signal
300BP645 -B435 TOS300BP645 -B435 13 300 Ścieki 110 6-14 25000 25.30 45,0 3-fazowy / 400 V / 50 Hz double leakage sensor (mechanical seals chamber and stator housing) 1 signal
300BP655 -B460 TOS300BP655 -B460 14 300 Ścieki 110 6-14 27000 28,80 55,0 3-fazowy / 400 V / 50 Hz double leakage sensor (mechanical seals chamber and stator housing) 1 signal
300BP690 -C477 TOS300BP690 -C477 15 300 Ścieki 110 6-14 33100 33 90,0 3-fazowy / 400 V / 50 Hz double leakage sensor (mechanical seals chamber and stator housing) 1 signal
300BP6132 -D520 TOS300BP6132 -D520 16 300 Ścieki 110 6-14 35000 40 132,0 3-fazowy / 400 V / 50 Hz double leakage sensor (mechanical seals chamber and stator housing) 1 signal
ø Otwór wylotowy mm 100
Rodzaj płynu Ścieki
Maks. nośność bryły mm 45
Maksymalna wartość pH 6-14
Maksymalna wydajność l/min 3170
Maksymalna wysokość głowy 10.10
Moc silnika kW 3,0
Faza / Napięcie 3-fazowy / 400 V / 50 Hz
Monitoring double leakage sensor (mechanical seals chamber and stator housing) 1 signal
ø Otwór wylotowy mm 100
Rodzaj płynu Ścieki
Maks. nośność bryły mm 45
Maksymalna wartość pH 6-14
Maksymalna wydajność l/min 2250
Maksymalna wysokość głowy 14,70
Moc silnika kW 4,0
Faza / Napięcie 3-fazowy / 400 V / 50 Hz
Monitoring double leakage sensor (mechanical seals chamber and stator housing) 1 signal
ø Otwór wylotowy mm 100
Rodzaj płynu Ścieki
Maks. nośność bryły mm 45
Maksymalna wartość pH 6-14
Maksymalna wydajność l/min 2150
Maksymalna wysokość głowy 19.7
Moc silnika kW 5,5
Faza / Napięcie 3-fazowy / 400 V / 50 Hz
Monitoring double leakage sensor (mechanical seals chamber and stator housing) 1 signal
ø Otwór wylotowy mm 100
Rodzaj płynu Ścieki
Maks. nośność bryły mm 45
Maksymalna wartość pH 6-14
Maksymalna wydajność l/min 4300
Maksymalna wysokość głowy 20
Moc silnika kW 7,5
Faza / Napięcie 3-fazowy / 400 V / 50 Hz
Monitoring double leakage sensor (mechanical seals chamber and stator housing) 1 signal
ø Otwór wylotowy mm 100
Rodzaj płynu Ścieki
Maks. nośność bryły mm 45
Maksymalna wartość pH 6-14
Maksymalna wydajność l/min 4590
Maksymalna wysokość głowy 25.7
Moc silnika kW 11,0
Faza / Napięcie 3-fazowy / 400 V / 50 Hz
Monitoring double leakage sensor (mechanical seals chamber and stator housing) 1 signal
ø Otwór wylotowy mm 150
Rodzaj płynu Ścieki
Maks. nośność bryły mm 80
Maksymalna wartość pH 6-14
Maksymalna wydajność l/min 3930
Maksymalna wysokość głowy 15,60
Moc silnika kW 11,0
Faza / Napięcie 3-fazowy / 400 V / 50 Hz
Monitoring double leakage sensor (mechanical seals chamber and stator housing) 1 signal
ø Otwór wylotowy mm 150
Rodzaj płynu Ścieki
Maks. nośność bryły mm 80
Maksymalna wartość pH 6-14
Maksymalna wydajność l/min 8400
Maksymalna wysokość głowy 24,90
Moc silnika kW 18,5
Faza / Napięcie 3-fazowy / 400 V / 50 Hz
Monitoring double leakage sensor (mechanical seals chamber and stator housing) 1 signal
ø Otwór wylotowy mm 150
Rodzaj płynu Ścieki
Maks. nośność bryły mm 80
Maksymalna wartość pH 6-14
Maksymalna wydajność l/min 11000
Maksymalna wysokość głowy 28
Moc silnika kW 22,0
Faza / Napięcie 3-fazowy / 400 V / 50 Hz
Monitoring double leakage sensor (mechanical seals chamber and stator housing) 1 signal
ø Otwór wylotowy mm 150
Rodzaj płynu Ścieki
Maks. nośność bryły mm 80
Maksymalna wartość pH 6-14
Maksymalna wydajność l/min 12300
Maksymalna wysokość głowy 34.5
Moc silnika kW 30,0
Faza / Napięcie 3-fazowy / 400 V / 50 Hz
Monitoring double leakage sensor (mechanical seals chamber and stator housing) 1 signal
ø Otwór wylotowy mm 200
Rodzaj płynu Ścieki
Maks. nośność bryły mm 100
Maksymalna wartość pH 6-14
Maksymalna wydajność l/min 17700
Maksymalna wysokość głowy 24.8
Moc silnika kW 37,0
Faza / Napięcie 3-fazowy / 400 V / 50 Hz
Monitoring double leakage sensor (mechanical seals chamber and stator housing) 1 signal
ø Otwór wylotowy mm 200
Rodzaj płynu Ścieki
Maks. nośność bryły mm 100
Maksymalna wartość pH 6-14
Maksymalna wydajność l/min 18800
Maksymalna wysokość głowy 30
Moc silnika kW 45,0
Faza / Napięcie 3-fazowy / 400 V / 50 Hz
Monitoring double leakage sensor (mechanical seals chamber and stator housing) 1 signal
ø Otwór wylotowy mm 300
Rodzaj płynu Ścieki
Maks. nośność bryły mm 110
Maksymalna wartość pH 6-14
Maksymalna wydajność l/min 23400
Maksymalna wysokość głowy 21.3
Moc silnika kW 37,0
Faza / Napięcie 3-fazowy / 400 V / 50 Hz
Monitoring double leakage sensor (mechanical seals chamber and stator housing) 1 signal
ø Otwór wylotowy mm 300
Rodzaj płynu Ścieki
Maks. nośność bryły mm 110
Maksymalna wartość pH 6-14
Maksymalna wydajność l/min 25000
Maksymalna wysokość głowy 25.30
Moc silnika kW 45,0
Faza / Napięcie 3-fazowy / 400 V / 50 Hz
Monitoring double leakage sensor (mechanical seals chamber and stator housing) 1 signal
ø Otwór wylotowy mm 300
Rodzaj płynu Ścieki
Maks. nośność bryły mm 110
Maksymalna wartość pH 6-14
Maksymalna wydajność l/min 27000
Maksymalna wysokość głowy 28,80
Moc silnika kW 55,0
Faza / Napięcie 3-fazowy / 400 V / 50 Hz
Monitoring double leakage sensor (mechanical seals chamber and stator housing) 1 signal
ø Otwór wylotowy mm 300
Rodzaj płynu Ścieki
Maks. nośność bryły mm 110
Maksymalna wartość pH 6-14
Maksymalna wydajność l/min 33100
Maksymalna wysokość głowy 33
Moc silnika kW 90,0
Faza / Napięcie 3-fazowy / 400 V / 50 Hz
Monitoring double leakage sensor (mechanical seals chamber and stator housing) 1 signal
ø Otwór wylotowy mm 300
Rodzaj płynu Ścieki
Maks. nośność bryły mm 110
Maksymalna wartość pH 6-14
Maksymalna wydajność l/min 35000
Maksymalna wysokość głowy 40
Moc silnika kW 132,0
Faza / Napięcie 3-fazowy / 400 V / 50 Hz
Monitoring double leakage sensor (mechanical seals chamber and stator housing) 1 signal
Ogólny
ø Otwór wylotowy mm 100 - 300
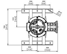
Podłączenie wylotowe DN 100 EN 1092-2, DN 150 EN 1092-2, DN 200 EN 1092-2, DN 300 EN 1092-2
Pompowanie płynu
Rodzaj płynu Ścieki
Temperatura 0-40°C
Maks. nośność bryły mm 45 - 110
Maksymalna wartość pH 6-14
Maksymalna wydajność l/min 2150 - 35000
Maksymalna wysokość głowy 10.10 - 40
Pompa
Komponenty
Wirnik Open channel impeller
Uszczelnienie mechaniczne Podwójne uszczelnienie mechaniczne w kąpieli olejowej
Tworzywo
Wirnik Odlew z żeliwa szarego EN-GJL-250
Obudowa Odlew z żeliwa szarego EN-GJL-250
Płyta ssąca Grey iron casting EN-GJL-250
Korpus pompy Grey iron casting EN-GJL-250
Uszczelnienie mechaniczne Węglik krzemu
Silnik
Moc silnika kW 3,0 - 132,0
Metoda początkowa bezpośrednio online, gwiazda/trójkąt
Typ, Polacy Silnik indukcyjny 4 bieguny IP68, Silnik indukcyjny 6 biegunów IP68
Izolacja Klasa izolacji H
Faza / Napięcie 3-fazowy / 400 V / 50 Hz
obr./min. 980 - 1475
Zabezpieczenie silnika (wbudowane) bimetal thermal protectors (Klixon) in series
Monitoring double leakage sensor (mechanical seals chamber and stator housing) 1 signal
Prąd znamionowy 6.60 - 273.2
Tworzywo
Wał AISI 431
Kabel S1RN8F 7G1.5 + 3x1, S1RN8F 4G2.5 + 3x1, S1RN8F 7G4 + 3x1, S1RN8F 4G6 x 2, S1RN8F 4G10 x 2, S1RN8F 4G16 x 2, S1RN8F 4G50 x 2, S1RN8F 4G35 x 2
Długość kabla 10m
Inni
Masa sucha kg 191 - 2046
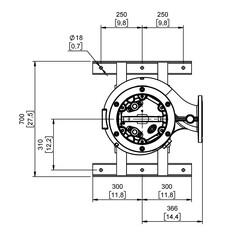
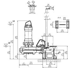
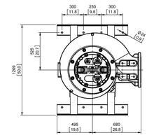
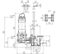
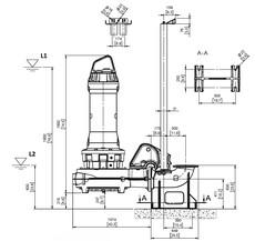
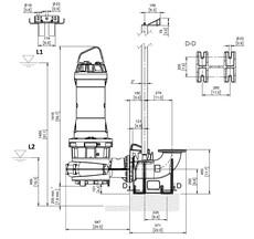
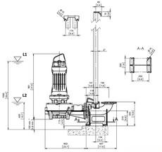
Wymiary - w mm
W1: najniższy poziom bieżącej wody
  • 200BP637 -C430
W1: najniższy poziom bieżącej wody
  • 150BP430 -F315
W1: najniższy poziom bieżącej wody
  • 150BP422 -F290
W1: najniższy poziom bieżącej wody
  • 150BP418.5 -A270
W1: najniższy poziom bieżącej wody
  • 150BP411 -G246
W1: najniższy poziom bieżącej wody
  • 100BP411 -F260
W1: najniższy poziom bieżącej wody
  • 100BP47.5 -F230
W1: najniższy poziom bieżącej wody
  • 100BP45.5 -F230
W1: najniższy poziom bieżącej wody
  • 100BP44.0 -F200
W1: najniższy poziom bieżącej wody
  • 100BP43.0 -F170
W1: najniższy poziom bieżącej wody
  • 300BP6132 -D520
W1: najniższy poziom bieżącej wody
  • 300BP690 -C477
W1: najniższy poziom bieżącej wody
  • 300BP655 -B460
W1: najniższy poziom bieżącej wody
  • 300BP645 -B435
W1: najniższy poziom bieżącej wody
  • 300BP637 -B405
W1: najniższy poziom bieżącej wody
  • 200BP645 -C460
ModelA
100BP43.0 -F170-
100BP44.0 -F200-
100BP45.5 -F230-
100BP47.5 -F230-
100BP411 -F260-
150BP411 -G246-
150BP418.5 -A270-
150BP422 -F290-
150BP430 -F315-
200BP637 -C430-
200BP645 -C460-
300BP637 -B405-
300BP645 -B435-
300BP655 -B460-
300BP690 -C477-
300BP6132 -D520-
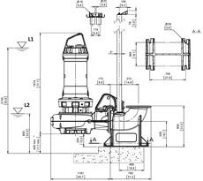
Wymiary - w mm
  • 150BP430 -F315
W1: najniższy poziom bieżącej wody
  • 150BP422 -F290
W1: najniższy poziom bieżącej wody
  • 150BP411 -G246
W1: najniższy poziom bieżącej wody
  • 100BP411 -F260
W1: najniższy poziom bieżącej wody
  • 100BP47.5 -F230
W1: najniższy poziom bieżącej wody
  • 100BP45.5 -F230
W1: najniższy poziom bieżącej wody
  • 100BP44.0 -F200
W1: najniższy poziom bieżącej wody
  • 100BP43.0 -F170
W1: najniższy poziom bieżącej wody
  • 150BP418.5 -A270
W1: najniższy poziom bieżącej wody
  • 300BP6132 -D520
W1: najniższy poziom bieżącej wody
  • 300BP690 -C477
W1: najniższy poziom bieżącej wody
  • 300BP655 -B460
W1: najniższy poziom bieżącej wody
  • 300BP645 -B435
W1: najniższy poziom bieżącej wody
  • 300BP637 -B405
W1: najniższy poziom bieżącej wody
  • 200BP645 -C460
W1: najniższy poziom bieżącej wody
  • 200BP637 -C430
W1: najniższy poziom bieżącej wody
ModelA
100BP43.0 -F170-
100BP44.0 -F200-
100BP45.5 -F230-
100BP47.5 -F230-
100BP411 -F260-
150BP411 -G246-
150BP418.5 -A270-
150BP422 -F290-
150BP430 -F315-
200BP637 -C430-
200BP645 -C460-
300BP637 -B405-
300BP645 -B435-
300BP655 -B460-
300BP690 -C477-
300BP6132 -D520-

BP series represents the high-efficiency product line, to meet the growing demand for energy-saving and reliable pumping solutions. To achieve maximum overall efficiency and reduce energy consumption, the BP series is equipped with IE3 premium efficiency motors. The special conformation of the hydraulic part with open channel impeller ensures the expulsion of solids and prevents fouling of the impeller, even when handling contaminated or sludge-laden water with high solids content.

The BP series is perfectly suited for demanding applications such as: Recirculation of industrial and process waters, Civil lifting systems, Drainage and lifting of water from first rainfall tanks, etc...